1999年度電子通信工学実験1 (電子通信工学科)
実験6、ブラウン管オシログラフ(基礎および応用)
(2単位) 担当教員:三浦 登
1.目 的
ブラウン管を用いたオシロスコープの動作原理、構造を理解し、交流波形およびリサジュー図形などの観測を行うことによりオシロスコープの基本的な使用法を学ぶと共に、将来の高度なオシロスコープの使用に対する準備とする。
2.原 理
2ー1 ブラウン管の原理
ある物理現象を、それに対応した電気信号に変換し、これを図式的に表現する上においてオシロスコープは極めて重要な、そして有効な装置である。即ち、電気回路における電圧および電流の値や、それらの値の時間的変化を波形に描いて観測することができる。
オシロスコープに使用されるブラウン管は、図 6.1に示すように電子銃(熱陰極、格子電極、加速電極)、電子ビーム形成装置(電子レンズ)、垂直軸・水平軸(時間軸)偏向板および蛍光膜より構成されている。電子銃の各電極は全てが回転対称な円筒形または小穴をもつ円板で、共通の軸上に配置されている。熱陰極は、金属の加熱により、金属内の自由電子が仕事関数Φm以上の熱エネルギーを得ると真空中に放出される熱電子放出を利用している。制御
電極は陰極に対して負の電位に保たれ、その電位を変えることにより電子銃から出る電子ビームの電流を制御できる。電子ビームによる電流で蛍光面上の輝度(Intensity)の調整ができる。電子銃から放射される陰極線は、電子ビーム形成装置(電子レンズ)によって鋭く絞られたビーム状になる。電子レンズには静電形と電磁形があり、静電形は加速電極(第一陽極)と他の電極から成り陰極に対して正に高電位を与え、それらの電極間の電界によりレンズの作用をする。この電子ビームは、観測しようとする電圧・電流によって偏向させ蛍光面の輝点を動かす。電子の偏向には電界を用いる静電偏向と磁界を用いる電磁偏向があるが、主として静電偏向が用いられる。静電偏向では図6.1に示す互いに直交するように配置された二組の偏向板に電位差をあたえると電子ビームはその間で電界の方向に管軸から上下左右に偏向され蛍光膜に到達すると蛍光体を励起しその再結合による発光(cathodoluminescence)が輝点として生じる。

図6.1. オシロスコープの構成
ここで、波形を観測するには垂直軸偏向板に観測波の電圧を加え、水平軸偏向板にはのこぎり波(鋸歯状波)電圧を加える。このようにすると図6.2に示すように観測波は時間とともに@→A→・・・→Hと変化するのに従って、のこぎり波は(1)→(2)→・・・→(9)と変化するため、ブラウン管面には|→}→・・・→の波形が描かれることになる。この波形を観測するためには、観測波とのこぎり波を常にある関係を持たせて波形をブラウン管面に静止させなければならない。これを同期(Trigger)という。

図6.2. 波形表示方法
2ー2 トリガ掃引
同期をとる方法としては、観測波の周期とのこぎり波の周期を強制的に 1:nの整数比にする方法もあるが、これは安定性などに問題があり、トリガ掃引方式が広く用いられている。
図 6.1 にオシロスコープの構成図を示しているが、ここで 図 6.2(a) の信号を入力したとすると、この入力信号は垂直軸偏向板に加えられると同時にトリガ回路にも加えられる。このトリガ回路においては、入力信号がある特定のレベル(Trigger LEVEL) 以上になった時 図 6.2(b) のようなトリガパルスを発生する。トリガパルスは次の掃引信号発生器に送られ、ここで 図 6.2(c) に示すのこぎり波を出力する。トリガ掃引方式のオシロスコープでは、このようにして観測波とのこぎり波の同期をとっており、入力波形が同じであれば周期的ではなくてもブラウン管面に観測波の静止画像を描き出すことができる。以上は内部同期(INTERNAL Trigger)を例にとって説明したが、トリガ回路に入力する信号(Trigger SOURCE)に外部から入力する任意の信号を用いる外部同期(EXTERNAL Trigger)や電源ラインの信号で同期をとる(LINE Trigger)ことができる。
2ー3 2現象表示
通常のブラウン管は1本の電子ビームで形成されている。従ってこのビームを現象に応じて偏向させると一つの現象だけを表示する。
このため、二つの現象を同一管面に表示するには、両現象に対応する垂直軸増幅器を電子スイッチで交互に切り換え、時分割的に表示しなければならない。
この切り換え方式には ALTERNATE (DUAL)と CHOPPER があり、 Alternate は1掃引毎に垂直軸増幅器を切り換え、 Chopper は1掃引の時間内で細かく両増幅器を切り換えている。
この切り換えの違いのため、 Alternateは掃引時間(SWEEP TIME)が速い場合に適し、逆にChopper は掃引速度で観測する場合に適している。また、管面上に表示された波形と実際の両現象の時間的関係が同期のかけ方によって異なることがあるので注意を要する。
2ー4 位相差の測定(リサジュー法)
オシロスコープの水平軸(X)と垂直軸(Y)に正弦波信号を入力すると、輝点は時間の経過とともにその位置を変え、一つの曲線を描く。このように、直交座標に加えられた正弦波偏位を合成して得られる図形をリサジュー(Lissagous)図形といい、二つの正弦波間の位相などの測定に利用される。

図6.3. リサジュー図形表示方法
いま、水平軸(X)に
ex=Ex・sin(ωt)・・・・・・・・・・・・・・・(6.1)
垂直軸(Y)に
ey=Ey・sin(ωtーθ)・・・・・・・・・・・・・ (6.2)
なる周波数が同じで位相差の異なる信号を加えたとする。上の2式からとの関係を求めると、
[(x/Ex)^2] -2[(ex・ey ) / (Ex・Ey)]・cosθ+ (ey / Ey)^2 = (sin^2)θ・・・(6.3)
となり、これは楕円を表している。ここで、扁平度を示すものとして図 6.3 に示した A, B を測定したとすればそれは (6.3)式より
A = 2・Ey ・・・・・・・・・・・・・・・・・(6.4)
B = 2・ey・sinθ・・・・・・・・・・・・・・ (6.5)
B / A = sinθ・・・・・・・・・・・・・・・・ (6.6)
となり、位相差 は、
θ= (sin^-1) (B / A)・・・・・・・・・・・・・・・(6.7)
となる。
2ー5 低域フィルター
図 6.4 の回路において、正弦波電圧 を入力すると、コンデンサの両端の電圧 は次のようになる。
vo(t)={V / [ (1+ωCR)^2]^(1/2)}・cos{ωt-(tan^-1)ωCR}・・・・・・ (6.8)
従って、ベクトル表示の入出力電圧を, とするとその比は、
Vo / Vi = 1 / { [1+(ωCR)^2]^(1/2) } /_{(-tan^-1)ωCR)}・・・・・・・(6.9)
となる。式(6.9)より、利得:(Gain) および 位相角: は、次式のようになる。
G(dB) = 20log10{ 1 / [1+(ωCR)^2]^(1/2)}・・・・・・・(6.10)
θ(degree) =( -tan^-1)ωCR・・・・・・・・・・・・(6.11)
2ー6 高域フィルター
図 6.5 の回路において、低域フィルターの場合と同様に利得:(Gain) および 位相角: を求めると、次式のようになる。
G(dB) = 20log10{ 1 / [1+(1 /ωCR)^2]^(1/2)}・・・・・・・ (6.12)
θ(degree) = -(tan^-1) (1 /ωCR)・・・・・・・・・・・・・ (6.13)

図6.4. 低域フィルター 図6.5. 高域フィルター
3.結 線 図
図 6.6 に本実験で使用する回路の結線図を示す。オシロスコープへの入力には 10:1 プローブを用いる。

図6.6. 実験回路
4.実 験 方 法
- オシロスコープの入力端子(INPUT)と校正(CALIBRATION) 用信号出力
端子をプローブで接続し、プローブの調整を行い、その波形を記録する。
- 正弦波信号( 1 kHz )をオシロスコープに入力(発振器の出力端子にプローブを直接接続)しその波形を記録する。また、発振器に付属の減衰器 (ATTNUATOR)の目盛りと電圧の実効値(Vrms)、振幅値(Vp-p)、最大値 (Vo-p)の関係を明らかにする。Vo-p = 4, 2, 1.4, 1, 500m, 200m, 100m, 50m, 20m, 10m, 5m, 2m (V) となるように減衰器を調整し、その値(電圧利得)を記録する。また、電圧(対数目盛)と利得の関係をグラフに表し、そこから関係式を示す。
- 図 6.6 の回路において、R=10 (kΩ)、C=0.02 (μF) とし、入力信号の周波数を100〜10k (Hz) の間で変化させ、フィルターの入力電圧(vi)、出力電圧(vo)、および入出力電圧の位相差Θを測定する。また、実験結果から実験に使用したフィルタ回路の利得を計算し、その周波数依存性を示せ。
周波数特性の一例を図 6.7 に示す。

図6.7. 周波数特性
- 図 6.6 の回路において、R=10 (kΩ)、C=0.02 (μF) として低域フィルターを構成し、矩形波を入力したときの出力波形を観測する。入力信号の周波数は、遮断周波数の前後とする。
5.検 討 事 項
- 実験結果についての考察をせよ。
- ブラウン管内部は真空になっているがその理由について考えよ。
- 蛍光面に当たった電子のゆくえについて考えよ。
- オシロスコープの画面上にテレビ放送を映し出す方法を考えよ。
- 真空中の電子は電界ばかりでなく磁界によっても偏向する。(電磁偏向)地磁気の強さが (Wb・m-2)、加速電圧を 400 (V) としてオシロスコープの測定に与える影響について考えよ。
- 図 6.3、図 6.4 の回路はそれぞれ積分回路、微分回路とも呼ばれる。これら回路が微分・積分の機能を持つことを示せ。
- 定K型フィルタ(逆L型)、T型、π型フィルタについて調べよ。また、500〜2k(Hz) に周波数帯域を持つ帯域フィルタ(Band Pass Filter) を、実験で用いた低域フィルタ(Low Pass Filter)、および、高域フィルタ (High Pass Filter)を組み合わせて設計せよ。
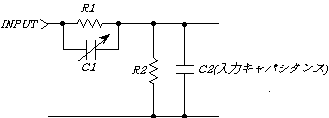
- 図 6.8 はオシロスコープのプローブの回路である。波形が歪まないようにするための C1 の条件を求めよ。

図6.8. プローブの回路
- 実験4で印加した矩形波をフーリエ級数展開を用いて示し、出力波形との関係を考察せよ。
電子通信工学実験1 実験レポートの書き方
電子通信工学実験1は、電子通信工学の基礎的な理論や現象を実験を通じて理解すると共に、基本的な測定技術や各種計測器の取り扱い方を習得し、電気基本諸量を数量的に把握することを目的としている。この実験は本学科で学ぶ
一連の専門実験で初めての実験であるので、正しい実験の方法や習慣・態度を学ぶように努めねばならない。自分の行った実験の経過や結果を正確に報告することは実験を行うことと同様に重要であり、正しい報告書(レポート)の書き方を習得することも本実験の重要な目的の一つである。
(1) 一般的注意
実験レポートは第三者に対して何を実験し、どんな結果を得、それをどのように解釈したかを正確に伝えねばなら ない。従って、自分だけがわかるメモではいけない。自分で考え、要点をまとめて丁寧に書くこと。
また、テキストの記述内容をはじめ、実験あるいは報告書の作成にあたって、参考にした図書・文献などの記述は それを理解し、自分の表現として、記述すること。略語、記号等は、必ず定義してから用いる。
筆記具にはボールペン等の、黒または青色で褪色性のないインクを用いる。図を含め、鉛筆書きや、カラー表示は 認めない。ワープロ等を用いたい場合には、テーマを担当している教員に相談すること。図や表などは、定規を用い て奇麗に書くこと。なお、実験レポートの書き方は、テキスト2ページにも記されている。併せて参考にせよ。
(2) 実験方法の記述について
- 結線図・・・・テキストの図を参考に、実験に用いた回路図を正確に解り易く描く。図には、図 No. と図の説明を図の下に記す。また、本文中に説明を加えること。
- 使用機器・・・表などにまとめる。定格は実験毎に必要な項目について示す。表題と表No.は表の上に記す。
- 実験手順・・・実際に行った実験手順を、箇条書きにし簡潔で正確宇にまとめる。注意点などがあった場合には、そのことも記すこと。
(3) 実験結果の記述について
実験結果は原則として文章、図(グラフ)、および表で表すこと。実験結果をまとめるにあたって用いた計算式や理論値の算出方法も本文中に明記する。
*グラフの書き方と注意
- 図 No. および 図の説明を図の下に明記する。
- 縦軸・横軸を引き、それらが表している量の名称、記号、単位を明記する。
- そのグラフで表そうとする測定量、測定範囲を考えて、これに適した方眼紙(平等目盛、片対数目盛、両対数目盛)を選んで図を書く。また、グラフで表そうとする内容をよく考えて、目盛りの取り方、測定点の結び方を決めること。(例えば、細かい変化が重要なのか、全体の形が重要なのか?、直線で結ぶのが妥当か、曲線で結ぶのが適当か? など) また、グラフの縦軸・横軸には目盛りを均等な間隔で付ける。その際、方眼紙の目盛りを有効に活用し理解が容易になるようにする。(方眼3 cm で 5 Hz や、方眼 4 cm で 15mA といった割り切れない目盛りの取り方は原として使わない。
- 測定点(プロット)は明瞭に示す。理論特性にはプロットは付けない。また、測定点上には線を引かない。
- 複数の特性を一枚のグラフに書く場合、測定点を●,○,■,□,▲,△,× 等で区別する。線がお互いに接近するときには、色分けによらず線種(実践、破線 等)を使いわかり易くする。
- 曲線は測定点を平均的にかつ滑らかに結ぶ。測定点が急激に変化する部分や、飛び離れている部分は、理論的に得異点であるか否かよく検討して結ぶ必要がある。
- 曲線は、自在定規、雲形定規 等を用いて奇麗に書くこと。本文と同様、鉛筆書きは不適当である。
- グラフ用紙一枚で1ページとする場合、原則として欄外は使用しないこと。軸および軸の名称・目盛り、図 の説明・図の No. は、グラフ用紙の目盛り内に納めること。
- グラフ用紙を横長方向に用いた時は、グラフの上部を左側にして綴じること。
(4) 検討について
検討は実験結果に対する考察である。テキストの検討事項にとらわれず、各自気づいた点について考察する。1年次の物理学実験で学習してきた影響かもしれないが、誤差率を求めただけで検討としているレポートが数多く見当たる。これでは検討として不適当である。誤差率を求めなくとも、グラフに理論特性と測定結果を並べて示してあれば十分である場合が多い。
Go: Function Device Laboratory (機能デバイス研究室)